產品介紹
咨詢服務熱線:13957717877
產品概述
資料下載
相關產品


GRV8-09/10三項電壓監控繼電器產品優勢: |
1、全球電壓兼容性:8檔電壓覆蓋全場景應用,降低海外項目適配成本。 |
2、工業級可靠性:真有效值測量技術保障復雜工況下的監測準確性。 |
3、高效運維支持:LED狀態指示與緊湊設計簡化安裝維護流程。 |
4、多重保護機制:集成過壓、欠壓、斷相、逆相等綜合保護功能。 |
GRV8-09/10三項電壓監控繼電器產品特點: |
1、高精度真有效值測量 - 采用真有效值(True RMS)算法,抗諧波干擾能力強,測量精度≤1%,復雜 電網環境下的數據可靠性。 |
2、寬電壓自適應設計 - 支持8檔可調額定電壓(100V~690V),兼容全球主流工業電壓標準,無需額外配 置適配模塊。 |
3、靈活接線配置 - 提供三相三線(3L)與三相四線(4L)雙規格可選,適配不同配電系統架構。 |
4、狀態可視化指示 - 內置多色LED指示燈,實時顯示繼電器工作狀態(正常/過壓/欠壓/斷相),便于快 速故障診斷。 |
5、緊湊型工業設計 - 寬度僅36mm,支持35mm標準卡軌安裝,節省控制柜空間,適用于高密度集 成場景。 |
GRV8-09/10三項電壓監控繼電器產品應用: |
1、移動設備電力監控 - 為工程車輛、農業機械、冷藏運輸車等移動設備提供電壓連接狀態監測與控制保 護。 |
2、逆向運行事故防護 - 實時檢測相序異常,防止電機類設備因電源反相導致機械損壞或安全事故。 |
3、雙電源自動切換系統 - 用于正常供電與應急電源的自動切換控制,保障關鍵負載持續運行。 |
4、動力設備斷相保護 - 監控三相電壓完整性,在缺相發生時快速切斷電源,避免電機燒毀及生產線停機。 |

GRV8-09/10三項電壓監控繼電器型號說明: |
|
GRV8-09/10三項電壓監控繼電器技術參數: |
M460 | M265 | |
功能 | 監控L-L電壓(3相3線制) | 監控L-N電壓(3相4線制) |
監控端子 | L1-L2-L3 | L1-L2-L3-N |
電源 | L1-L2-L3 | L1-L2-L3-N |
額定工作電壓選擇 | 220-230-240-380-400 -415-440-460(P-P) | 127-132-138-220-230 -240-254-265(P-N) |
額定沖擊耐受電壓 | 2.5KV | |
額定絕緣電壓 | 500V | |
測量頻率范圍 | 45Hz-65Hz | |
測量范圍 | 176V-552V | 101V-318V |
電壓門限值范圍 | 額定電壓的2%-20% | |
不平衡值門限范圍 | 5%-15% | |
電壓固定滯后率 | 2% | |
斷相電壓值 | 額定電壓值的70% | 額定電壓值的70% |
電壓測量誤差 | ≤1% | |
動作延時時間 | 0.1s-10s可調 | |
上電/復位延時時間 | 0.1s-10s可調 | |
旋鈕設定精度 | 10% | |
溫度波動誤差 | 0.05%1℃,at=20℃ | |
輸出 | 2×SPDT : Ith:5A;AC-15:Ue/le:250V/1A | |
小切換功率 | 500mW | |
輸出繼電器指示 | 紅色LED | |
機械壽命 | 1×10? | |
電壽命(阻性負載) | 1×10? | |
工作環境溫度 | -20℃~+55℃ | |
存儲和運輸環境溫度 | -35℃~+75℃ | |
安裝方式 | 35mm卡軌安裝 | |
防護等級 | IP20 | |
安裝位置 | 任意 | |
安裝海拔高度 | ≤2000米 | |
污染等級 | 2 | |
過壓類別 | ⅢI. | |
接線能力 | 1×2.5mm2或2×1.5mm204N ·m | |
外形尺寸 | 90mm×36mm×64mm | |
重量 | 100g | |
符合標準 | GB/T14048.5,IEC60947-5-1,EN 60255-1 | |

GRV8-09/10三項電壓監控繼電器產品面板: |
GRV8-09產品面板: |
|
GRV8-10產品面板: |
|
注意: |
產品通電運行過程中如果改變額定電壓旋鈕,三個LED(U>,U<,R) 同時閃爍,指示 錯誤設定,產品保持原先設定的額定電壓進行保護。當額定電壓旋鈕返回原先設定值 時,指示燈恢復正常。 |
|
GRV8-10 LED狀態 | 產品狀態 |
Us | 電源指示 |
Us | 閃爍:上電/復位狀態 |
U> | 常亮:過壓指示 |
U</Asy | 常亮:欠壓指示 |
U</Asy | 閃爍:不平衡指示 |
U>
U</Asy | 兩個燈同時閃爍:斷相指示 |
U>
U</Asy | 兩個燈交替閃爍:相序錯誤指示 |
R | 繼電器動作 |
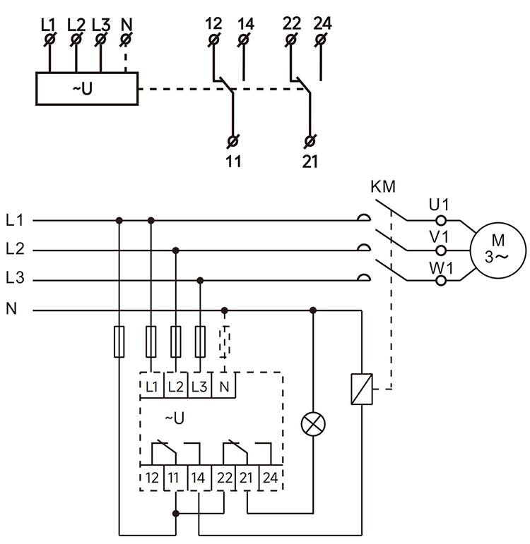
GRV8-09/10三項電壓監控繼電器產品接線: |
|

GRV8-09/10三項電壓監控繼電器產品功能: |
斷相與相序保護功能圖 |
|
過壓與欠壓保護功能圖 |
|
電壓不平衡保護功能圖 |
|
To:過電壓動作延時時間。 |
Tu:欠電壓動作延時時間。 |
Ta:不平衡動作延時時間。 |
Tr:上電/復位延時。 |
GRV8-09/10三項電壓監控繼電器產品尺寸: |
|
優惠券
我們的微信
13957717877
13957796089