產品介紹
咨詢服務熱線:13957717877
產品概述
資料下載
相關產品
相關資訊


GRT6-M多功能時間繼電器產品特點: |
1、多模式延時架構 - 電源控制模式組(5種) 包括上電延時(TON)、斷電延時(TOF)、間隔脈沖(TI)、循環觸發(TC)及窗 口模式(TW),支持電壓突波保護(±2kV 1.2/50μs) - 信號控制模式組(4種) 涵蓋上升沿觸發(ETU)、下降沿觸發(ETD)、雙沿觸發(ETB)及保持式觸發 (ETH),輸入響應時間<20ms - 脈沖轉換模式 可將持續信號轉換為預設寬度的脈沖輸出(0.1s-10min可調) |
2、動態延時調節系統 - 采用十進制旋鈕編碼器,提供10個線性檔位 - 支持/1s/10s/1min/10min/1h/10h/1D/10D基準單位 - 設定精度10%,重復精度0.2% |
3、電氣性能參數 - 工作電壓:AC/DC 24-240V 50Hz,AC 220V 50Hz - 觸點容量:10A/250VAC(阻性負載),5A/30VDC - 絕緣強度:2.5kVrms(觸點與線圈間) |
4、機械與安裝特性 |
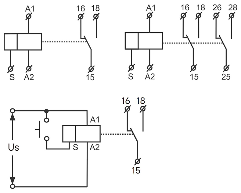
- 殼體材料:阻燃外殼 - 防護等級:IP40(前面板)/IP20(端子區) - 安裝方式:35mm DIN導軌(EN 60715標準) - 端子類型:A1-A2 |
GRT6-M多功能時間繼電器產品應用: |
1、工業自動化領域 |
2、生產線節拍控制 |
3、設備安全互鎖 |
4、能源管理系統 |
5、光伏逆變器軟啟動延時 |
6、儲能設備充放電周期控制 |
7、建筑電氣系統 |
8、消防風機延時啟動 |
9、智能照明場景切換
|

GRT6-M多功能時間繼電器型號說明: |

GRT6-M多功能時間繼電器產品面板: |

| 旋鈕1:延時檔位設定,s表示秒,m表示分,h表示小時,d表示天, ON表示繼電器動作(15-18/25-28閉合), OFF表示繼電器斷開(15-18/25-28斷開)。 |
| 旋鈕2:延時時間細調,10%~100%可調。 |
| 延時時間=旋鈕1×旋鈕2。 例1:需要設定5秒,可將旋鈕1設為10s,旋鈕2設為50%,延時時間=10s×50%=5s。 例2:需要設定8分,可將旋鈕1設為10m,旋鈕2設為80%,延時時間=10m×80%=8m。 | |

GRT6-M多功能時間繼電器技術參數: |
| 型號 | GRT6-M1 | GRT6-M2 | |
| 功能 | A,B,C,D,E,F,G,H,I,J | ||
| 電源端子 | A1-A2 | ||
| 額定控制電源電壓 | S 2 4 0 | AC/DC 24-240V 50Hz | |
| 消耗功率 | AC 0.7-3VA/DC 0.5-1.7W | ||
| 額定控制電源電壓 | A220 | AC 220V50Hz | |
| 消耗功率 | AC max.6VA/1.3W | AC max.6VA/1.9W | |
| 電源允許波動范圍 | -15%;+10% | ||
| 額定沖擊耐受電壓 | 2.5kV | ||
| 額定絕緣電壓 | 250V | ||
| 電源指示燈 | 綠色LED | ||
| 延時范圍 | 0.1秒-10天,常開,常閉 | ||
| 設定方式 | 旋鈕 | ||
| 設定精度 | 10% | ||
| 重復精度 | 0.2% | ||
| 溫度波動誤差 | 0.05%/℃ | ||
| 輸出觸點參數 | 1組轉換觸點 | 2組轉換觸點 | |
| :Ith:10A;AC-15:Ue/le:250V/2.5A | |||
| 小切換功率 | 500mW | ||
| 輸出繼電器指示 | 紅色LED | ||
| 機械壽命 | 1×10? | ||
| 電壽命(阻性負載) | 1×10? | ||
| 復位時間 | 200ms | ||
| 工作環境溫度 | -20℃~+55℃ | ||
| 存儲和運輸環境溫度 | -35℃~+75℃ | ||
| 安裝方式 | 35mm卡軌安裝 | ||
| 防護等級 | IP20 | ||
| 安裝位置 | 任意 | ||
| 安裝海拔高度 | ≤2000米 | ||
| 污染等級 | 2 | ||
| 接線能力 | 1×2.5mm2或2×1.5mm20.4N ·m | ||
| 外形尺寸 | 90mm×18mm×64mm | ||
| 重量 | S240-53g,A230-55g | S240-66g,A230-69g | |
| 符合標準 | GB/T14048.5,IEC60947-5-1,EN 61812-1 | ||
GRT6-M多功能時間繼電器產品尺寸: |


GRT6-M多功能時間繼電器產品接線: |

GRT6-M多功能時間繼電器產品功能: |
A:通電延時 當繼電器Us得電,繼電器開始延時, 延時t后輸出觸點閉合。繼電器 Us斷電 后,輸出觸點斷開,S控制信號在這個功 能模式中無效。 | B:延時斷開 當繼電器Us得電,繼電器輸出觸點馬 上閉合,開始延時,延時t后輸出 觸點斷開, 如延時時間t未到繼電器Us失電,則輸出 觸點斷開,S控制 信號在這個功能模式中 無效。 |
|
|
C:循環延時(OFF開始) 當繼電器Us得電,繼電器開始延時, 延時t后輸出觸點閉合,同時又經過延時 時間t后繼電器輸出觸點斷開,如此循環 延時直到繼電器Us失電,S控制信號在這 個功能模式中無效。 | D:循環延時(ON開始) 當繼電器Us得電,繼電器閉合并開始延 時,延時t后輸出觸點斷開,同時又經過延 時時間t后繼電器輸出觸點閉合,如此循環 延時直到繼電器Us失電,S控制信號在這個 功能模式中無效。 |
| ![]() |
E:延時斷開(S下降沿觸發開始) 當繼電器Us處于通電狀態,當S控制 端接通時,繼電器閉合,S控制端斷開時 繼電器開始延時,延時t后輸出觸點斷開, 延時t過程中S控制端重新接通,延時t清零 重新延時。 | F:延時斷開(S上升沿觸發開始) 當繼電器Us處于通電狀態,當S控制端 接通時,繼電器閉合,同時繼電器開始延 時,延時t后輸出觸點斷開,延時t過程中S 控制端重新接通,延時t保持不變繼續延時。 |
| ![]() |
G:S下降沿觸發閉合,延時斷開 當繼電器Us處于通電狀態,當S控制 端斷開時,繼電器閉合,同時繼電器開始 延時,延時t后輸出觸點斷開,延時t過程 中S控制端重新接通斷開,延時t保持不變繼 續延時。 | H:接通斷開延時 當繼電器Us處于通電狀態,當S控制端 接通時,繼電器開始延時,延時t后 輸出觸 點閉合,當S控制端斷開時,繼電器開始延 時,延時t后輸出觸點斷開。 |
|
|
I:脈沖轉換 當繼電器Us處于通電狀態,當S控制端 接通時,繼電器輸出觸點狀態轉換。 | J:脈沖輸出 當繼電器Us得電后,繼電器開始延時,延 時時間t到后,繼電器輸出觸點閉合0.5s 后斷 開。 |
|
|
上一個:GRT6-A/B單功能時間繼電器
下一個:GRT6-S循環延時型時間繼電器
優惠券
我們的微信
13957717877
13957796089